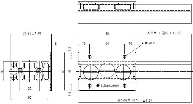
SC30603A(탭)
*블럭과 레일 조립시 유격(흔들림)이 존재합니다.(중요사항)
*경하중에 안정적인 작업 성능을 발휘합니다.
*레일(재질:AL6063 T5/표면처리:알루마이트 처리)
*블럭(재질:SCP/표면처리:니켈도금)
*고정볼트(M5 셈스렌지, 육각, 둥근머리)
*5,000/6,000L은 주문생산품.








MODEL

SLIDE
LENGTH

TRAVEL
LENGTH

주요치수

수직하중(Pa)
kg/EA

수직하중(Pb)
kg/EA

수평하중(Pc)
kg/EA

프로파일

전체높이(H)

SC30603A

500

408 

 30X60   

63.9

6

3

1000

908 

 30X60   

63.9

6

3

1500

1408 

 30X60   

63.9

6

3

2000

1908 

 30X60   

63.9

6

3

2500

2408

 30X60   

63.9

6

3

3000

2908

 30X60   

63.9

6

3

3500

3408

 30X60   

63.9

6

3

4000

3908

 30X60   

63.9

6

3

5000

4908

 30X60   

63.9

6

3

6000

5908

 30X60  

63.9

6

3